ECE 482/582: Power Electronic Circuits
Experiments
Experiment materials, Spring 2026. Due dates are posted on the schedule page. All assignments submitted as a pdf through Canvas
-
Experiment Procedure
Safety Training- All students must complete the Safety Training before using any lab equipment
Altium Licensing- All students must obtain an Altium License through EECS. This will be used in Experiment 2, but may take a few days. Initiate the process before starting this experiment.
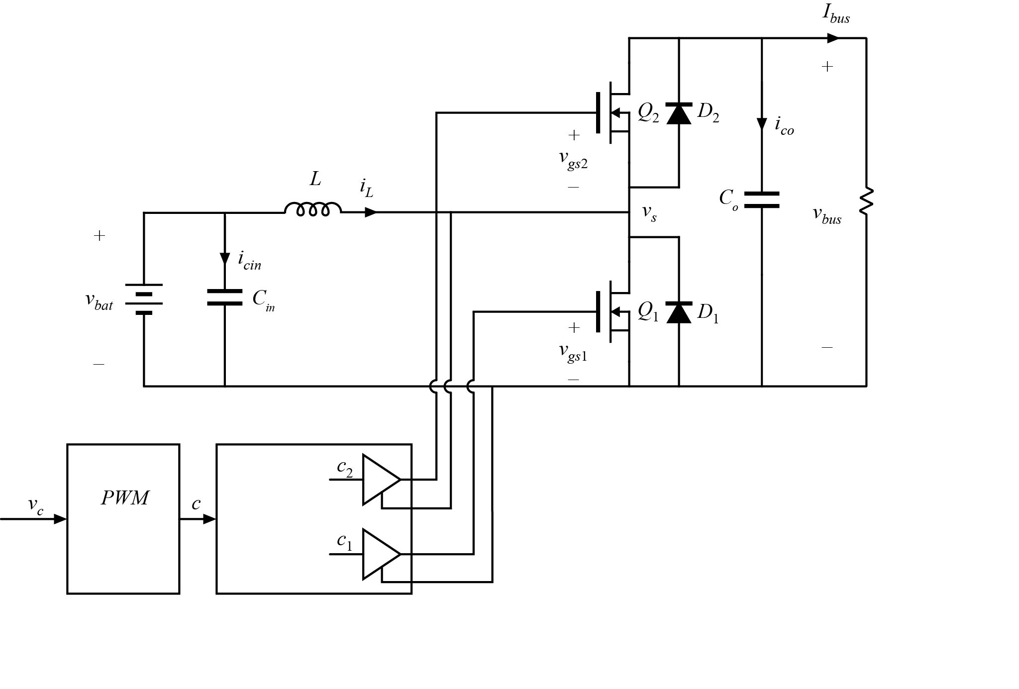
Recorded Lectures- Battery Modeling
- (Optional Review) Basic Magnetics
- (Optional Review) Gapped Magnetics
- Motor Modeling
Reference Materials- Lab Report Guidelines
- LTSpice Simulation Files
- Note that additional materials on BLDC modulation may be found on the materials page
-
Experiment Procedure

Recorded Lectures- PCB Layout
- Power Loop Layout
- (Optional) FET Gate Driving
- (Optional) Switching Parasitics
- (Optional) General Layout Tips
- MSP Programming
- MSP Programming Demonstration
- Example code from demonstration
- Example code from demonstration (G2553 Equiv)
- (Optional) BLDC Motor Construction
Reference Materials- EECS Altium Licensing Information
- Using the UTK EECS Virtual Desktop Infrastructure (Remote Access to Altium)
- OSHpark Altium Support
- Altium fabricaiton file generation (see Gerber and NC Drill Sections)
-
Experiment Procedure

Recorded Lectures- Probe Grounding
- Converter Loss Modeling
- Loss Modeling and Design Introductions
- (New) Overview of Synchronous Switching
- (Recommended) Overview of Synchronous Switching
- (Recommended) Overview of Switching Loss
- Loss Mechanisms
- Slides For all loss mechanisms
- (Optional) Kg and Kgfe Design Methods
- (Optional) Magnetics Core Loss
- (Optional) Magnetics Fringing Loss
- (Optional) Gate Charge Loss
- (Optional) Overlap Loss
- (Optional) Approximating Reverse Recovery
Experiment 3 Components- Contents of the Experiment 3 Parts Kit
- Contents of the Magnetics Library
- Breakout Board Schematics and Layout (pdf)
- Breakout Board Schematics and PCB Layout (Altium)
- Designing Bootstrap Networks
- Power Converter Layout
- Reduction of Ringing in Power Converters (TI App. Note)
- RMS Values of Commonly Observed Waveforms
-
Experiment Procedure

Recorded Lectures- Simulation Modeling
- (Optional)Switching, Averaged, and Linearized Models
- Current Programmed Control
- Review of PWM Small-Signal Modeling and Control
- Introduction to CPM Modulation and Control
- CPM Instability and Artificial Ramp
- Compensator Design
- (Optional) Buck Compensator Design Example
- (Optional)Op-amp Compensator Implementation Example
- LM5121
- Overview of LM5121
LTSpice- LTSpice files used in lectures
- TI Model of LM5121 (no internal view)
- Additional materials on averaged-circuit modeling in SPICE simulators
- Examples of power semiconductor modeling using custom or manufacturer models (Spring 2014)
- Example averaged, nonlinear boost converter model (Spring 2014)
-
Experiment Procedure

Recorded Lectures- Experiment 5 Introduction
- GaNFET Introduction
- GaNFET Introduction (Old Version)
- PCB Layout
- PCB Layout of Power Electronics
- Daughter Boards
- Introduction to Starter PCB Files
- Altium Demos (all optional)
- Creating a New Component
Reference Materials- EECS Altium Licensing Information
- Best Practices for Board Layout of Motor Drivers
- Hardware Engineer’s Guide to a Brushless-DC Motor Controller: Design and challenges
- App note on layout from EPC
- App note on layout from GaN Sysetms
- App note on layout from Linear Technologies
- App note on layout from Rohm
- Altium Designer Guides and Libraries
- Submitting for DFM
-
Experiment Procedure

Reference Materials -
Experiment Procedure
